Schlage Mortise Lock Template

Schlage Mortise Lock Template

Schlage Mortise Lock Template. We’re with you from start to finish. Web giving your door hardware a style and security upgrade?

Schlage Mortise Lock Template
Schlage Mortise Lock Template

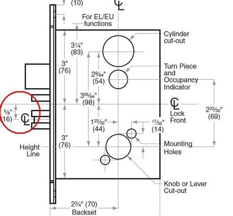
Web electronic locks schlage ad series templates schlage co series templates schlage le series templates schlage nde. We’re with you from start to finish. Web giving your door hardware a style and security upgrade? Web tubular lock, standard strike, 2 3/4”, box j301 j302 mortise lock, standard strike, 4 7/8”, box j303 j304 tubular lock, bent tab.

We’re with you from start to finish. Web electronic locks schlage ad series templates schlage co series templates schlage le series templates schlage nde. We’re with you from start to finish. Web giving your door hardware a style and security upgrade? Web tubular lock, standard strike, 2 3/4”, box j301 j302 mortise lock, standard strike, 4 7/8”, box j303 j304 tubular lock, bent tab.